DIN 928 Square Weld Nuts
DIN 928 Square Weld Nuts, welding nut made of steel, class 5 or class 8, zinc plated, size M4-M16 from China Weld Nuts Manufacturer
![]() |
![]() |
DIN 928 Square Weld Nuts , Welding nuts
Made of Carbon steel, Plain
Standard: Class 5, Class 8
Size: M4 – M16
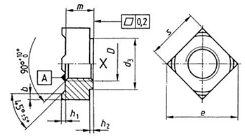
DIN 928 Square Weld Nuts Specification as below:
| Size [d1] |
Thread [p] |
Height [m (h14)] |
Across Flat [s (h14)] |
Hole [d2] |
Weight [Kg/1000Pcs] |
| M4 | 0.7 | 3.5 | 7 | 6.0 | 0.810 |
| M5 | 0.8 | 4.2 | 9 | 7.0 | 1.700 |
| M6 | 1.0 | 5.0 | 10 | 8.0 | 2.400 |
| M8 | 1.25 | 6.5 | 14 | 105 | 6.500 |
| M10 | 1.5 | 8.0 | 17 | 125 | 11.30 |
| M12 | 1.75 | 9.5 | 19 | 148 | 16.60 |
| M14 | 2.0 | 11 | 22 | 168 | 26.70 |
| M16 | 2.0 | 13 | 24 | 188 | 35.80 |

