DIN 929 Hex Weld Nut
DIN 929 Hex Weld Nut, welding nuts made of steel, class 5 or class 8, size M3-M16 from China Weld Nuts Manufacturer
![]() |
![]() |
DIN 929 Hex Weld Nut , Hex welding nuts, hexagon weld nut.
Made of Carbon steel, class 5 or class 8.
Size: M4 – M16
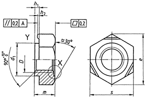
DIN 929 Hex Weld Nut Specification as below:
| Size | d2 H13 | d3 d11 | h1 | h2 | h h14 | s h13 |
| M3 | 4.5 | 4.5 | 0.55 | 0.25 | 3.0 | 7.5 |
| M4 | 6.0 | 6.0 | 0.65 | 0.35 | 3.5 | 9.0 |
| M5 | 7.0 | 7.0 | 0.70 | 0.40 | 4.0 | 10 |
| M6 | 8.0 | 8.0 | 0.75 | 0.40 | 5.0 | 11 |
| M8 | 10.5 | 10.5 | 0.90 | 0.50 | 6.5 | 14 |
| M10 | 12.5 | 12.5 | 1.15 | 0.65 | 8 | 17 |
| M12 | 14.8 | 14.8 | 1.4 | 0.80 | 10 | 19 |
| M14 | 16.8 | 16.8 | 1.8 | 1.0 | 11 | 22 |
| M16 | 18.8 | 18.8 | 1.8 | 1.0 | 13 | 24 |

